Главная / Электронные каталоги / Для погрузчиков с бортовым поворотом / Амкодор 208B /Гидросистема рабочего оборудования
Электронные каталоги
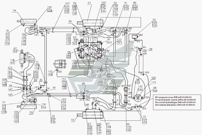
Запчасти для Амкодор 208B в узле "Гидросистема рабочего оборудования" в разрезе схемы №49-2903
Другие узлы:
- Гидросистема рабочего оборудования
- Гидросистема управления
- Гидроцилиндр поворота ковша
- Гидроцилиндр подъема стрелы
- Гидроцилиндр сцепки
- Оборудование рабочее
- Панель диодов
- Рама
- Редуктор колесный
- Редуктор привода насосов
- Ступица с тормозом
- Схема гидравлическая принципиальная
- Схема гидравлическая соединений
- Схема электрическая принципиальная
- Схема электрическая соединений
- Установка отопителя
- Установка привода хода
- Электросистема кабины
Возможно, Вас заинтересует: