Главная / Электронные каталоги / Для фронтальных погрузчиков Амкодор / Амкодор 371, 371-01 /Установка подогревателя
Электронные каталоги
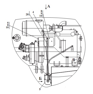
Запчасти для Амкодор 371, 371-01 в узле "Установка подогревателя" в разрезе схемы №7-342
Другие узлы:
- Блок клапанов
- Гидробак
- Гидросистема рабочего оборудования
- Гидросистема рулевого управления
- Гидросистема тормозов
- Гидростанция
- Гидроцилиндр
- Гидроцилиндр ковша
- Гидроцилиндр рулевой левый
- Гидроцилиндр рулевой правый
- Гидроцилиндр стрелы
- Дверь
- Клапан переливной
- Ковш
- Колесо
- Лестница
- Маска радиатора
- Облицовка
- Опора промежуточная
- Панель аппаратов
- Площадка ходовая
- Погрузочное оборудование
- Подкабинник
- Рама
- Редуктор отбора мощности
- Рычаг
- Система обогрева кабины
- Система централизованной смазки
- Стрела
- Топливный бак
- Трубопровод
- Тяга
- Управление дизелем
- Установка ГМП
- Установка кабины
- Установка карданных валов
- Установка мостов и колес
- Установка подогревателя
- Установка радиаторов
- Установка силовая
- Электросистема
- Электросистема кабины
- Электросистема подкабинника
Возможно, Вас заинтересует: