Главная / Электронные каталоги / Для фронтальных погрузчиков Амкодор / Амкодор 361 (2006г.) /Схема электрическая принципиальная контроля и сигнализации
Электронные каталоги
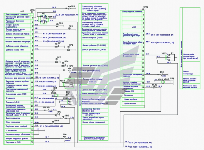
Запчасти для Амкодор 361 (2006г.) в узле "Схема электрическая принципиальная контроля и сигнализации" в разрезе схемы №56-3222
Другие узлы:
- Бак топливный
- Блок радиаторов
- Гидробак
- Гидросистема рабочего оборудования
- Гидросистема рулевого управления
- Гидросистема тормозов
- Гидростанция
- Гидроцилиндр
- Гидроцилиндр (вариант I)
- Гидроцилиндр (вариант II)
- Гидроцилиндр ковша (вариант I)
- Гидроцилиндр ковша (вариант II)
- Гидроцилиндр поворота левый
- Гидроцилиндр поворота правый
- Гидроцилиндр стрелы (вариант I)
- Гидроцилиндр стрелы (вариант II)
- Клапан переливной
- Ковш
- Муфта полужесткая
- Перечень элементов системы централизованной смазки
- Перечень элементов схемы контроля и сигнализации
- Перечень элементов электрической схемы ГМКП
- Перечень элементов электрической схемы освещения
- Перечень элементов электрической схемы силовой установки
- Перечень элементов электрической схемы системы смазки
- Погрузочное оборудование
- Подвеска дизеля
- Рама
- Редуктор отбора мощности
- Силовая установка
- Система выпуска отработавших газов
- Система обогрева кабины
- Система охлаждения
- Система топливная
- Система централизованной смазки
- Схема гидравлическая принципиальная
- Схема системы централизованной смазки
- Схема электрическая принципиальная ГМКП
- Схема электрическая принципиальная контроля и сигнализации
- Схема электрическая принципиальная освещения
- Схема электрическая принципиальная силовой установки
- Схема электрическая принципиальная системы смазки
- Схема электрическая соединений
- Трос
- Управление дизелем
- Установка ГМП
- Установка кабины
- Установка карданных валов
- Установка мостов и колес
- Установка предпускового подогревателя
- Электросистема (таблица соединений)