Главная / Электронные каталоги / Для фронтальных погрузчиков Амкодор / Амкодор 352 /Силовая установка
Электронные каталоги
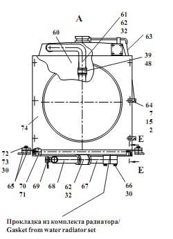
Запчасти для Амкодор 352 в узле "Силовая установка" в разрезе схемы №10-710
Технические
консультации
консультации
Принимаем к оплате наличные, карты и банковские переводы
Бесплатная
доставка
доставка
| № | Фото | Код | Наименование | Наличие | В узле | ||
|---|---|---|---|---|---|---|---|
| 1 | Ф0000782 |
Радиатор водяной 150У.1301010-3
|
|
Другие узлы:
- Блок клапанов
- Блок управления
- Вал
- Вал карданный
- Водило с сателлитами
- Воздухоочиститель
- Гидробак
- Гидрораспределитель
- Гидросистема ГМП
- Гидросистема погрузочного оборудования
- Гидросистема рулевого управления
- Гидросистема тормозов
- Главная передача
- Дверь
- Дифференциал
- Кабина
- Клапан
- Ковш
- Колесная передача
- Колесо
- Механизм тормозной
- Механизм управления
- Мост ведущий
- Муфта эластичная резиновая
- Облицовка
- Окно
- Передача гидромеханическая
- Плита
- Погрузочное оборудование
- Подкабинник
- Привод гидроруля
- Рама
- Редуктор отбора мощности
- Редуктор отбора мощности на аварийный насос руля
- Секция рабочая 3-х позиционная
- Сиденье
- Силовая установка
- Топливный бак
- Тормоз колесный
- Управление
- Управление гидрораспределителем
- Установка кабины
- Установка карданных валов
- Установка мостов и колес
- Установка трубопроводов отопителя
- Фильтр
- Фильтр магистральный
- Цилиндр ковшовый
- Цилиндр рулевой
- Цилиндр стреловой
- Шторка радиатора
Возможно, Вас заинтересует: