Главная / Электронные каталоги / Для фронтальных погрузчиков Амкодор / Амкодор 351 (2006г.) /Мост ведущий
Электронные каталоги
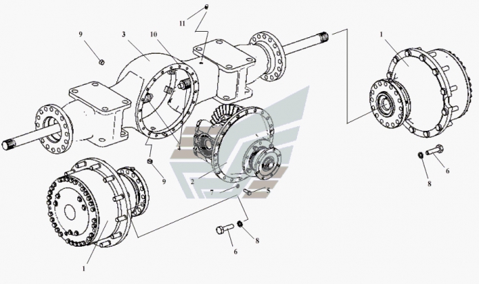
Запчасти для Амкодор 351 (2006г.) в узле "Мост ведущий" в разрезе схемы №50-3160
Другие узлы:
- Блок клапанов
- Блок управления
- Вал
- Вал карданный
- Вал турбинный
- Водило с сателлитами
- Воздухоочиститель
- Гидробак
- Гидрораспределитель
- Гидросистема ГМП
- Гидросистема рабочего оборудования
- Гидросистема рулевого управления
- Гидросистема тормозов
- Главная передача
- Дверь
- Дифференциал
- Кабина
- Клапан
- Ковш
- Колесная передача
- Колесо
- Механизм тормозной
- Механизм управления
- Мост ведущий
- Муфта эластичная резиновая
- Облицовка
- Оборудование погрузочное
- Окно
- Передача гидромеханическая
- Плита
- Подкабинник
- Привод гидроруля
- Рама
- Редуктор отбора мощности
- Редуктор отбора мощности на аварийный насос руля
- Секция рабочая
- Сиденье
- Топливный бак
- Тормоз колесный
- Управление
- Управление распределителем
- Установка ГМП
- Установка кабины
- Установка карданных валов
- Установка мостов и колес
- Установка силовая
- Установка трубопроводов отопителя
- Фильтр
- Фильтр магистральный
- Фрикцион
- Цилиндр ковшовый
- Цилиндр рулевой
- Цилиндр стреловой
- Шторка радиатора
- Электросистема
Возможно, Вас заинтересует: