Электронные каталоги
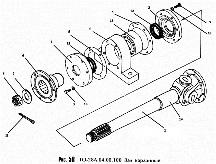
Запчасти для Амкодор-342С в узле "Вал карданный" в разрезе схемы №43-2643
Технические
консультации
консультации
Принимаем к оплате наличные, карты и банковские переводы
Бесплатная
доставка
доставка
Другие узлы:
- Адаптер
- Блок клапанов
- Блок управления
- Вал
- Вал карданный
- Вал турбинный
- Вилы грузовые
- Водило с сателлитами
- Воздухоочиститель
- Гидробак
- Гидрораспределитель 4-х секционный с гидроуправлением РГС
- Гидросистема ГМП
- Гидросистема рабочего оборудования
- Гидросистема рулевого управления
- Гидросистема тормозов
- Главная передача
- Дверь
- Дифференциал
- Захват лаповый
- Захват челюстной
- Кабина
- Клапан
- Ковш
- Ковш двухчелюстной
- Колесная передача
- Колесо
- Крановая безблочная стрела
- Механизм тормозной
- Механизм управления
- Мост ведущий
- Муфта эластичная резиновая
- Облицовка
- Оборудование погрузочное
- Окно
- Отвал бульдозерный
- Отвал снежный
- Передача гидромеханическая
- Плита
- Подкабинник
- Привод гидроруля
- Рама
- Редуктор отбора мощности
- Редуктор отбора мощности на аварийный насос руля
- Секция рабочая 3-х позиционная РГС
- Секция рабочая 3-х позиционная с переливными клапанами РГС
- Сиденье
- Силовая установка
- Топливный бак
- Тормоз колесный
- Управление
- Установка ГМП
- Установка кабины
- Установка карданных валов
- Установка мостов и колес
- Установка радиаторов
- Установка трубопроводов отопителя
- Фильтр
- Фильтр магистральный
- Цилиндр ковшовый
- Цилиндр рулевой
- Цилиндр стреловой
- Шасси погрузочное многофункциональное
- Шторка радиатора
- Щетка поворотная
- Электросистема
Возможно, Вас заинтересует:
