Главная / Электронные каталоги / Для фронтальных погрузчиков Амкодор / Амкодор ТО-18А /Станция насосная
Электронные каталоги
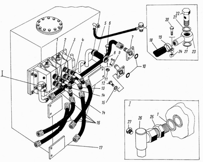
Запчасти для Амкодор ТО-18А в узле "Станция насосная" в разрезе схемы №36-2192
Технические
консультации
консультации
Принимаем к оплате наличные, карты и банковские переводы
Бесплатная
доставка
доставка
Другие узлы:
- Бак масляный
- Гидросистема ГМД
- Гидросистема ГМП
- Гидросистема погрузочного оборудования
- Гидроцилиндр ковша
- Гидроцилиндр стрелы
- Дверь
- Кабина
- Кабина (каркас и стекла)
- Колесо
- Колонка
- Место рабочее
- Облицовка двигателя
- Оборудование погрузочное
- Отопитель кабины
- Панель приборов
- Передача гидромеханическая
- Рама
- Редуктор отбора мощности
- Рычаг
- Сиденье
- Система топливная
- Станция насосная
- Управление
- Установка ГМП и стояночного тормоза
- Установка руля гидравлического
- Установка стояночного тормоза
- Установка трубопроводов отопителя
- Электросистема
- Электросистема кабины
Возможно, Вас заинтересует:
