Главная / Электронные каталоги / Для фронтальных погрузчиков Амкодор / Амкодор 342A (ТО-28A) /Гидросистема рабочего оборудования
Электронные каталоги
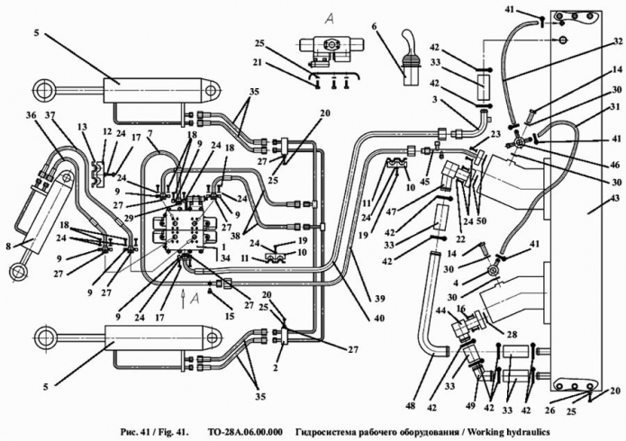
Запчасти для Амкодор 342A (ТО-28A) в узле "Гидросистема рабочего оборудования" в разрезе схемы №44-2794
Технические
консультации
консультации
Принимаем к оплате наличные, карты и банковские переводы
Бесплатная
доставка
доставка
Другие узлы:
- Блок управления
- Вал
- Вал карданный
- Водило с сателлитами
- Воздухоочиститель
- Гидробак
- Гидросистема ГМП
- Гидросистема рабочего оборудования
- Гидросистема рулевого управления
- Главная передача
- Дверь
- Дифференциал
- Кабина
- Клапан
- Ковш
- Колесо
- Механизм управления
- Мост ведущий
- Муфта эластичная резиновая
- Облицовка
- Оборудование погрузочное
- Окно
- Передача гидромеханическая
- Плита
- Пневмосистема
- Подкабинник
- Привод гидроруля
- Рама
- Редуктор отбора мощности
- Редуктор отбора мощности на аварийный насос руля
- Рычаг регулировочный
- Сиденье
- Система обогрева кабины
- Ступица колеса
- Топливный бак
- Тормоз левый
- Тормоз правый
- Управление
- Управление распределителем
- Установка ГМП
- Установка кабины
- Установка карданных валов
- Установка мостов и колес
- Установка радиатора
- Установка силовая
- Фильтр
- Фильтр магистральный
- Фрикцион
- Цилиндр рулевой
- Цилиндр стреловой
- Шторка радиатора
- Электросистема
Возможно, Вас заинтересует:
