Главная / Электронные каталоги / Для фронтальных погрузчиков Амкодор / Амкодор 333 (ТО-18Б) (2004 г.) /Установка карданных валов
Электронные каталоги
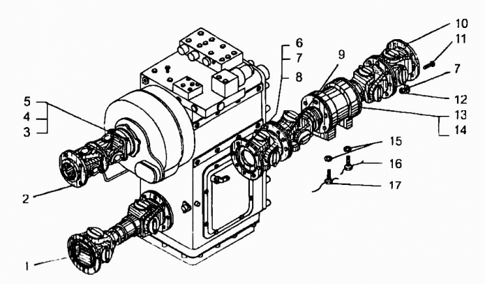
Запчасти для Амкодор 333 (ТО-18Б) (2004 г.) в узле "Установка карданных валов" в разрезе схемы №39-2334
Технические
консультации
консультации
Принимаем к оплате наличные, карты и банковские переводы
Бесплатная
доставка
доставка
Другие узлы:
- Агрегат силовой
- Блок сигнализации
- Вал карданный
- Водило с сателлитами
- Гидробак
- Гидромеханическая передача
- Гидросистема ГМП
- Гидросистема рабочего оборудования
- Гидросистема рулевого управления
- Главная передача
- Дверь
- Дифференциал
- Кабина
- Клапан
- Колесо
- Место рабочее
- Механизм управления
- Мост ведущий
- Облицовка
- Оборудование погрузочное
- Опора кардана
- Панель реле
- Плита
- Пневмосистема
- Подкабинник
- Рама
- Редуктор отбора мощности
- Редуктор отбора мощности на аварийный насос руля
- Руль гидравлический
- Рычаг регулировочный
- Сиденье
- Система топливная
- Ступица колеса
- Топливный бачок подогревателя
- Тормоз левый
- Тормоз правый
- Управление
- Установка глушителя
- Установка ГМП
- Установка карданных валов
- Установка мостов и колес
- Установка подогревателя
- Установка радиатора
- Установка силовая
- Установка стояночного тормоза
- Установка трубопроводов отопителя
- Фильтр
- Фрикцион
- Цилиндр ковшовый
- Цилиндр поворота руля
- Цилиндр стреловой
- Шторка радиатора
- Электросистема
- Электросистема кабины
- Электросистема подкабинника
- Электросистема пульта
Возможно, Вас заинтересует: