Главная / Электронные каталоги / Для фронтальных погрузчиков Амкодор / Амкодор 332В, 332В4, 332С4-02 /Облицовка
Электронные каталоги
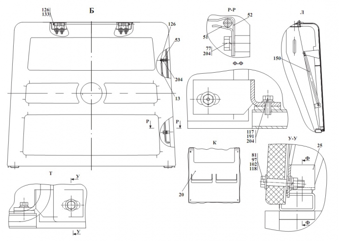
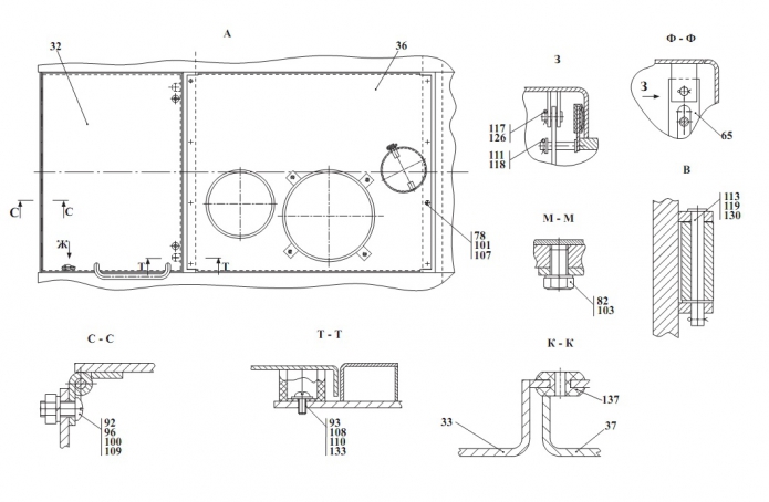
Запчасти для Амкодор 332В, 332В4, 332С4-02 в узле "Облицовка" в разрезе схемы №12-876
Другие узлы:
- Адаптер
- Бак топливный
- Блок клапанов
- Вал
- Вал карданный
- Вал реверса
- Вал турбинный
- Ведущий мост
- Водило
- Воздухоочиститель
- Гидробак
- Гидрораспределитель 2-х секционный с гидроуправлением
- Гидрораспределитель 3-х секционный с гидроуправлением
- Гидрораспределитель 4-х секционный с гидроуправлением
- Гидросистема ГМП
- Гидросистема погрузочного оборудования
- Гидросистема рулевого управления
- Гидросистема тормозов
- Гидроцилиндр
- Гидроцилиндр ковшовый
- Гидроцилиндр поворота руля
- Гидроцилиндр стреловой
- Главная передача
- Дверь
- Дифференциал
- Кабина
- Клапан обратный
- Клапан смазки
- Ковш
- Колесная передача
- Колесо
- Коромысло
- Корпус
- Крышка
- Механизм тормозной
- Муфта эластичная резиновая
- Облицовка
- Оборудование погрузочное
- Передача гидромеханическая унифицированная
- Плита
- Подкабинник
- Привод гидроруля
- Привод руля
- Рама
- Рама с литым противовесом
- Рама со сварным противовесом
- Распределитель
- Редуктор отбора мощности
- Редуктор отбора мощности на аварийный насос руля
- Секция рабочая 3-х позиционная
- Секция рабочая 4-х позиционная
- Секция сливная
- Силовая установка
- Стрела
- Ступица реактора
- Тормоз колесный
- Тяга
- Управление
- Управление гидрораспределителем
- Установка ГМП
- Установка демпфера
- Установка кабины
- Установка карданных валов
- Установка мостов и колес
- Установка радиаторов
- Установка силовая
- Установка трубопроводов отопителя
- Фильтр
- Фильтр магистральный
- Фрикцион
- Шарнирный узел соединения передней и задней рамы
Возможно, Вас заинтересует: