Главная / Электронные каталоги / Для фронтальных погрузчиков Амкодор / Амкодор 327 (ТО-18Д) /Руль гидравлический
Электронные каталоги
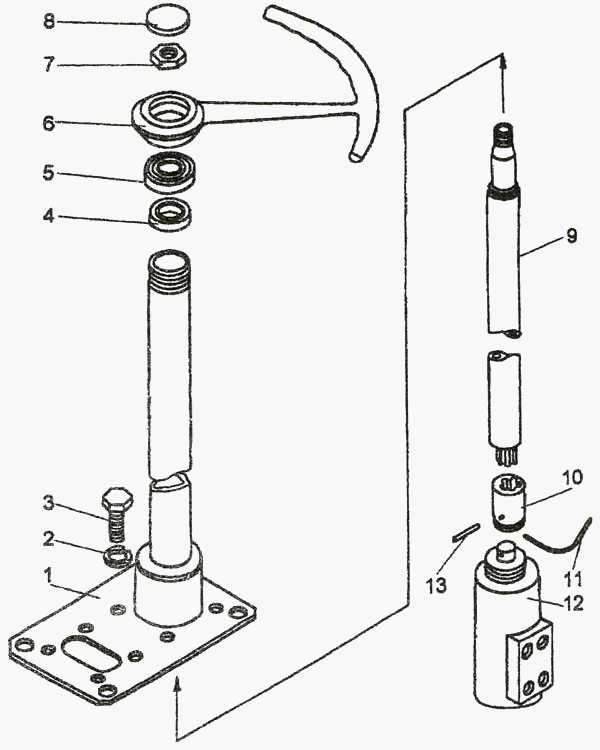
Запчасти для Амкодор 327 (ТО-18Д) в узле "Руль гидравлический" в разрезе схемы №37-2267
Технические
консультации
консультации
Принимаем к оплате наличные, карты и банковские переводы
Бесплатная
доставка
доставка
| № | Фото | Код | Наименование | Наличие | В узле | ||
|---|---|---|---|---|---|---|---|
| 1 | 01050300 |
Гидроруль У245006-00 (1000 см3)
|
|
Другие узлы:
- Бак топливный
- Вал карданный 375-2202010-01
- Валы карданные (установка)
- Водило с сателлитами
- Воздухоочиститель
- Гидробак
- Гидросистема ГМП
- Гидросистема рулевого управления
- Главная передача
- Глушитель
- Дверь
- Дифференциал
- Кабина
- Клапан
- Ковш
- Колесо
- Колонка
- Место рабочее
- Механизм управления
- Мост ведущий
- Облицовка
- Оборудование погрузочное
- Опора
- Опора кардана
- Панель диодов
- Панель реле
- Панель электроаппаратов
- Педаль
- Передача гидромеханическая
- Плита
- Пневмосистема
- Подкабинник
- Пульт
- Рама
- Редуктор
- Руль гидравлический
- Рычаг регулировочный
- Сиденье
- Система обогрева кабины
- Система охлаждения
- Ступица колеса
- Тормоз левый
- Тормоз правый
- Управление
- Установка ГМП
- Установка мостов и колес
- Установка ресиверов
- Установка силовая
- Фильтр
- Фрикцион
- Цилиндр ковшовый
- Цилиндр поворота руля
- Цилиндр стреловой
- Шторка радиатора
- Электросистема
- Электросистема кабины
- Электросистема погрузочного оборудования
- Электросистема подкабинника
- Электросистема пульта
- Электросхема кабины
Возможно, Вас заинтересует: