Главная / Электронные каталоги / Для фронтальных погрузчиков Амкодор / Амкодор 325 (ТО-18К) /Установка ГМП
Электронные каталоги
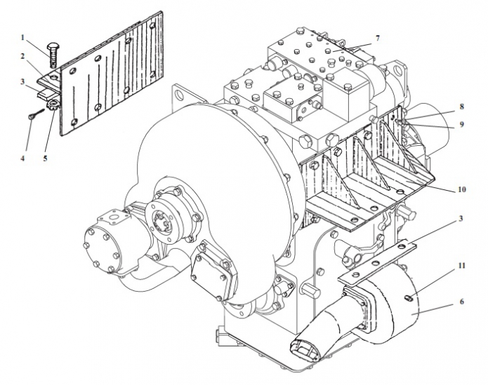
Запчасти для Амкодор 325 (ТО-18К) в узле "Установка ГМП" в разрезе схемы №6-161
Технические
консультации
консультации
Принимаем к оплате наличные, карты и банковские переводы
Бесплатная
доставка
доставка
Другие узлы:
- Блок клапанов
- Блок управления
- Вал
- Вал турбинный
- Воздухоочиститель
- Гидробак
- Гидрораспределитель
- Гидросистема ГМП
- Гидросистема рабочего оборудования
- Гидросистема рулевого управления
- Дверь
- Кабина
- Ковш
- Колесо
- Крыло
- Облицовка
- Окно
- Опора карданного вала
- Передача гидромеханическая
- Плита
- Пневмосистема
- Погрузочное оборудование
- Подкабинник
- Привод гидроруля
- Рама
- Распределитель
- Редуктор отбора мощности
- Редуктор отбора мощности на аварийный насос руля
- Секция рабочая 3-х позиционная
- Секция рабочая 3-х позиционная с переливными клапанами
- Сиденье
- Силовая установка
- Система обогрева кабины
- Система охлаждения
- Топливный бак
- Управление
- Управление гидрораспределителем
- Установка ГМП
- Установка кабины
- Установка карданных валов
- Установка мостов и колес
- Фильтр
- Фильтр магистральный
- Фрикцион
- Цилиндр ковшовый
- Цилиндр рулевой
- Цилиндр стреловой
Возможно, Вас заинтересует:
