Главная / Электронные каталоги / Для машин лесопромышленного комплекса / Амкодор 2661-01 /Система централизованной смазки
Электронные каталоги
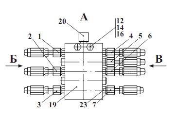
Запчасти для Амкодор 2661-01 в узле "Система централизованной смазки" в разрезе схемы №22-1840
Другие узлы:
- Бак
- Бак гидравлический
- Блок клапанов
- Блок разгрузочный
- Вал реверса
- Вал турбинный
- Ведущий мост
- Водило
- Гидросистема блокировки моста
- Гидросистема гидромеханической передачи
- Гидросистема подъёма кабины
- Гидросистема рабочего оборудования
- Гидросистема рулевого управления
- Гидросистема тормозов
- Гидроцилиндр
- Главная передача
- Дифференциал
- Кабина
- Капот
- Каркас
- Клапан блокировки
- Клапан обратный
- Клапан смазки
- Колесная передача
- Колесо
- Корпус
- Кран тормозной
- Крышка
- Облицовка
- Опора промежуточная
- Отсек с лестницей
- Панель
- Передача гидромеханическая
- Плита
- Рама
- Распределитель
- Редуктор отбора мощности
- Сигнализация открытия дверей
- Сиденье
- Система кондиционирования
- Система централизованной смазки
- Ступица реактора
- Тормоз колесный
- Управление
- Установка аккумуляторов
- Установка генератора
- Установка ГМП
- Установка демпфера
- Установка кабины
- Установка карданных валов
- Установка компрессора
- Установка манипулятора
- Установка мостов и колес
- Установка подогревателей
- Установка радиаторов
- Установка силовая
- Установка фонарей
- Установка щита и коников
- Фильтр
- Электросистема
- Электросистема кабины
- Электросистема рулевой колонки
Возможно, Вас заинтересует: