Главная / Электронные каталоги / Для погрузчиков-экскаваторов / Амкодор 702В (ТО-49-40) /Электросистема
Электронные каталоги
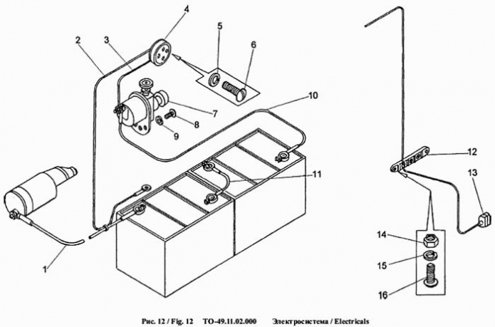
Запчасти для Амкодор 702В (ТО-49-40) в узле "Электросистема" в разрезе схемы №52-2998
Другие узлы:
- Бак топливный
- Башмаки опорные
- Бульдозерное оборудование
- Буфер
- Быстросменное устройство
- Гидробак
- Гидросистема
- Гидросистема бульдозерного оборудования
- Гидроцилиндр
- Дроссель
- Кабина
- Клапан предохранительный
- Ковш
- Колонка
- Крюк монтажный
- Отвал
- Переходник
- Погрузчик экскаватор
- Портал левый, портал правый
- Рама
- Рукоять
- Сиденье
- Стрела
- Стрела с рычагами
- Удлинитель
- Управление
- Установка баков топливных
- Установка батарей аккумуляторных
- Установка гидробака и фильтра
- Установка насоса
- Экскаватор
- Электросистема
Возможно, Вас заинтересует: