Главная / Электронные каталоги / Для машин снежного комплекса / Амкодор 9531 (ДЭ-226) /Баллоны сжатого воздуха
Электронные каталоги
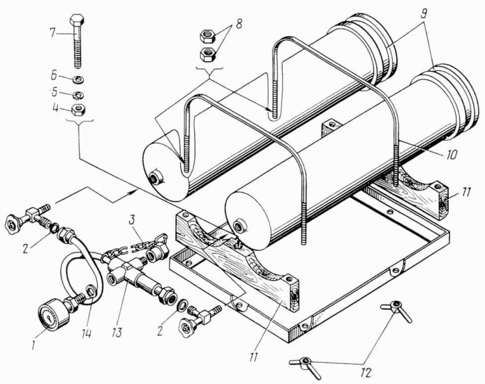
Запчасти для Амкодор 9531 (ДЭ-226) в узле "Баллоны сжатого воздуха" в разрезе схемы №53-3069
Другие узлы:
- Агрегаты управления
- Бак масляный
- Бак системы смазки
- Бак топливный
- Баллоны сжатого воздуха
- Вал карданный
- Вал привода шнеков
- Воздухозаборники
- Гидросистема
- Гидроцилиндр
- Двигатель (дизель)
- Доработанные узлы базового автомобиля
- Жалюзи
- Звездочка ведущая
- Звездочка натяжная
- Звездочка шнека
- Кабина
- Капот
- Коробка раздаточная
- Лыжа
- Опора задняя
- Опора шнека
- Панель приборов
- Передача карданная
- Передача цепная
- Передняя опора
- Пневмосистема (двухконтурная)
- Пневмосистема (одноконтурная)
- Подвеска рабочего органа
- Привод сцепления
- Рабочий орган
- Радиаторы
- Радиостанция
- Рама
- Рама подмоторная
- Распределитель
- Редуктор привода насоса
- Редуктор промежуточный
- Редуктор рабочего органа
- Редуктор, ротор, кожух ротора
- Рессоры
- Система выхлопа
- Система подогрева
- Система предпускового подогрева, охлаждения и смазки двигателя
- Система пуска двигателя сжатым воздухом
- Система смазки раздаточной коробки
- Система топливная
- Система управления двигателем
- Трубы выхлопные
- Узлы и детали крепления гидроцилиндра
- Управление ходоуменьшителем и раздаточной коробкой
- Установка силовая
- Фары фонари передние
- Ходоуменьшитель
- Электрооборудование
Возможно, Вас заинтересует: