Электронные каталоги
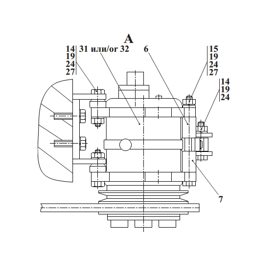
Запчасти для Амкодор 2243В в узле "Установка компрессора" в разрезе схемы №21-1688
Другие узлы:
- Бак
- Бак гидравлический
- Блок разгрузочный
- Вал карданный
- Водило
- Гидросистема гидромеханической передачи
- Гидросистема подъёма кабины
- Гидросистема рабочего оборудования
- Гидросистема рулевого управления
- Гидросистема тормозов
- Гидроцилиндр
- Главная передача
- Дифференциал
- Кабина
- Клапан обратный
- Колесная передача
- Колесо
- Кран тормозной
- Лебедка
- Мост ведущий
- Облицовка
- Опора
- Отвал
- Рама
- Редуктор отбора мощности
- Сиденье
- Система кондиционирования
- Система смазки
- Тормоз колесный
- Управление
- Установка аккамуляторов
- Установка генератора
- Установка ГМП
- Установка демпфера
- Установка кабины
- Установка карданных валов
- Установка компрессора
- Установка мостов и колёс
- Установка радиаторов
- Установка силовая
- Установка технологического оборудования
- Щит трелёвочный
- Электросистема
Возможно, Вас заинтересует: