Главная / Электронные каталоги / Для вилочных погрузчиков / Амкодор 451А /Передача гидромеханическая
Электронные каталоги
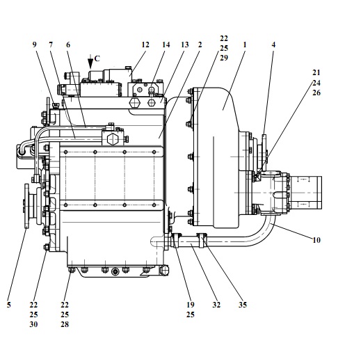
Запчасти для Амкодор 451А в узле "Передача гидромеханическая" в разрезе схемы №8-465
Другие узлы:
- Гидроцилиндр
- Главная передача
- Грузоподъемник
- Колесо
- Механизм управления
- Мост ведущий
- Мост управляемый
- Облицовка
- Останов двигателя
- Передача гидромеханическая
- Рабочее оборудование
- Рама
- Редуктор планетарный
- Рулевое управление
- Система выпуска отработавших газов
- Система охлаждения
- Система охлаждения ГМП
- Система топливная
- Топливный бак
- Тормозная система
- Управление подачей топлива
- Установка ГМП
- Установка двигателя
- Установка демпфера
- Установка кабины
- Установка карданных валов
- Установка мостов и колес
- Установка противовеса
- Установка силовая
- Установка стояночного тормоза
- Шестерня ведущая
- Электросистема
- Электросистема кабины
Возможно, Вас заинтересует: