Главная / Электронные каталоги / Для универсальных погрузчиков Амкодор / Амкодор 320 /Гидросистема рабочего оборудования
Электронные каталоги
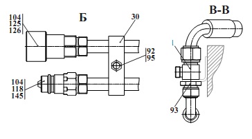
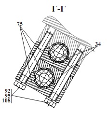
Запчасти для Амкодор 320 в узле "Гидросистема рабочего оборудования" в разрезе схемы №5-87
Другие узлы:
- Бак топливный
- Блок радиаторов
- Гидробак
- Гидросистема рабочего оборудования
- Гидросистема рулевого управления
- Гидросистема тормозов
- Гидросистема хода
- Гидроцилиндр
- Дверь
- Запорное устройство двери
- Зеркало внутреннее
- Кабина
- Колесо
- Облицовка
- Окно боковое
- Подвеска дизеля
- Рабочее оборудование
- Рама
- Редуктор отбора мощности
- Сиденье
- Система выхлопа
- Система охлаждения
- Система питания
- Управление
- Установка воздухоочистителя
- Установка главного тормозного цилиндра
- Установка зеркала
- Установка кабины
- Установка маяка сигнального
- Установка мостов
- Установка отвала для снега Arctic Machine
- Установка отвала для снега Pronar
- Установка подметально-уборочного оборудования Holms
- Установка подметально-уборочного оборудования Tuchel
- Установка трубопроводов отопителя
- Установка щетки дорожной Arctic Machine
- Фиксатор
- Электросистема
- Электросистема силовой установки
Возможно, Вас заинтересует: