Главная / Электронные каталоги / Для погрузчиков с телескопической стрелой / Амкодор 527 /Гидроцилиндр
Электронные каталоги
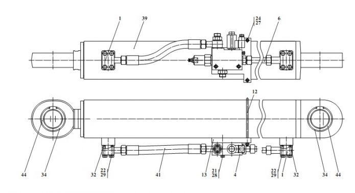
Запчасти для Амкодор 527 в узле "Гидроцилиндр" в разрезе схемы №9-600
Другие узлы:
- Бак топливный
- Блок
- Блок безопасности
- Блок радиаторов
- Блок разгрузочный
- Блок управления
- Гидробак
- Гидросистема привода хода
- Гидросистема рабочего оборудования
- Гидросистема рулевого управления
- Гидросистема тормозов
- Гидроцилиндр
- Дверь
- Замок
- Кабина
- Клапан обратный
- Колесо
- Кран тормозной
- Кран тормозной с ручным управлением
- Механизм тормозной
- Облицовка
- Оборудование рабочее
- Педаль
- Редуктор
- Редуктор гидромотора
- Система охлаждения
- Тормозной кран с педалью
- Трос
- Управление
- Установка глушителя
- Установка кабины
- Установка карданных валов и редуктора
- Установка мостов и колес
- Установка силовая
- Установка тормозного крана с ручным управлением
- Установка трубопроводов отопителя
- Электросистема
- Электросистема кабины
- Электросистема подкабинника
- Электросистема силовой установки
Возможно, Вас заинтересует: