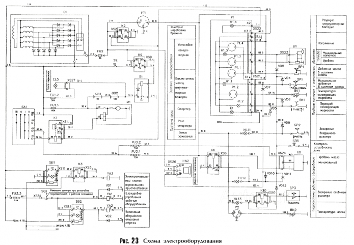
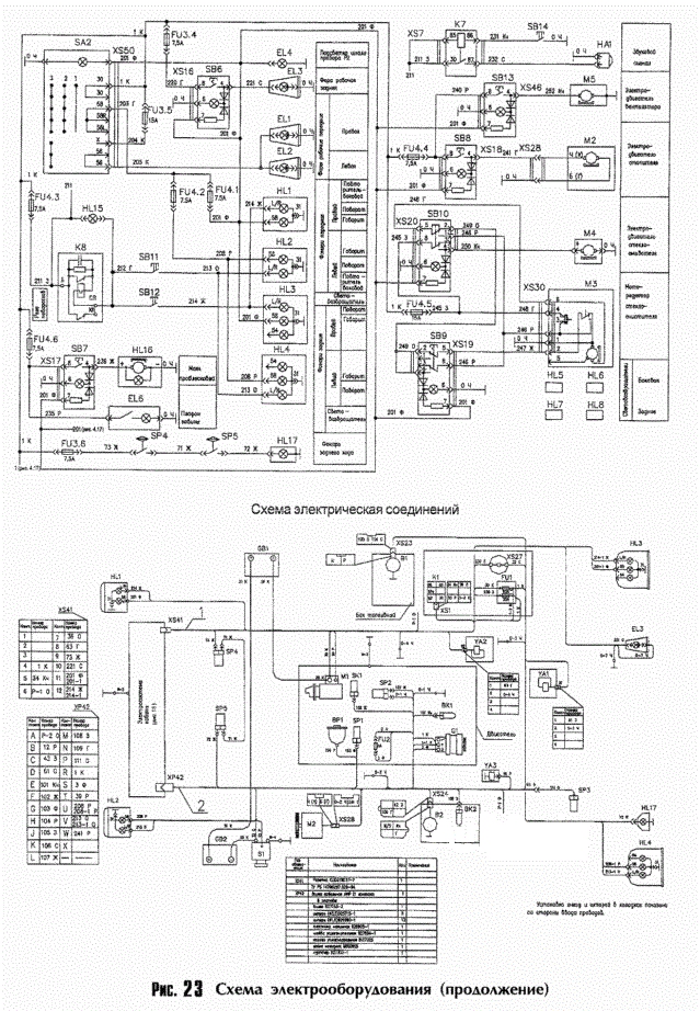
Главная / Электронные каталоги / Для погрузчиков с бортовым поворотом / Амкодор 208А /Схема электрооборудования
Электронные каталоги
Запчасти для Амкодор 208А в узле "Схема электрооборудования" в разрезе схемы №48-2868
Другие узлы:
- Гидросистема привода хода (вариант I)
- Гидросистема привода хода (вариант II)
- Гидросистема рабочего оборудования (вариант I)
- Гидросистема рабочего оборудования (вариант II)
- Гидросистема управления (вариант I)
- Гидросистема управления (вариант II)
- Гидроцилиндр поворота ковша
- Гидроцилиндр подъема стрелы
- Гидроцилиндр сцепки
- Кабина
- Оборудование рабочее
- Рама
- Редуктор колесный
- Редуктор привода насосов
- Ступица с тормозом
- Схема электрооборудования
- Установка капота и крыльев
- Установка кожуха и капотов
- Установка отопителя
- Установка привода хода и колес
- Электросистема кабины