Главная / Электронные каталоги / Для фронтальных погрузчиков Амкодор / Амкодор 342 (ТО-28) /Место рабочее
Электронные каталоги
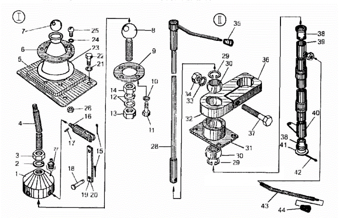
Запчасти для Амкодор 342 (ТО-28) в узле "Место рабочее" в разрезе схемы №41-2609
Другие узлы:
- Агрегат силовой
- Бак топливный
- Вал карданный
- Гидробак
- Гидросистема ГМП
- Гидросистема рабочего оборудования
- Гидросистема рулевого управления
- Глушитель
- ГМКП Клапан поддерживающий
- Дверь
- Кабина
- Картер с цапфами
- Клапан
- Колесо
- Место рабочее
- Мост ведущий
- Насос
- Насосная станция
- Облицовка
- Оборудование погрузочное
- Опора кардана
- Панель реле
- Передача гидромеханическая
- Пневмосистема
- Подкабинник
- Рама
- Регулятор давления
- Редуктор колесный
- Редуктор отбора мощности
- Редуктор отбора мощности на аварийный насос
- Руль гидравлический
- Секция промежуточная
- Сиденье
- Система топливная
- Тормоз правый, тормоз левый
- Управление
- Установка аккумуляторная
- Установка ГМП
- Установка мостов и колес
- Установка радиатора
- Установка силовая
- Установка стояночного тормоза
- Установка трубопроводов отопителя
- Цилиндр ковшовый
- Цилиндр поворота руля
- Цилиндр стреловой
- Шторка радиатора
- Электросистема
- Электросистема подкабинника
- Электросистема пульта
Возможно, Вас заинтересует: