Главная / Электронные каталоги / Для машин лесопромышленного комплекса / Амкодор 2551 /Установка компрессора
Электронные каталоги
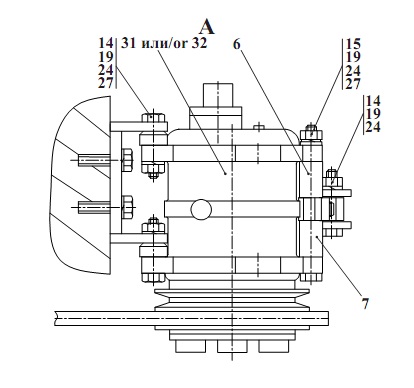
Запчасти для Амкодор 2551 в узле "Установка компрессора" в разрезе схемы №23-2051
Другие узлы:
- Бак
- Бак гидравлический
- Блок гидроаппаратов
- Блок разгрузочный
- Водило
- Гидросистема блокировки моста
- Гидросистема подъёма кабины
- Гидросистема рабочего оборудования
- Гидросистема тормозов
- Гидросистема хода
- Гидроцилиндр
- Главная передача
- Дифференциал
- Кабина
- Клапан блокировки
- Клапан обратный
- Колесная передача
- Колесо
- Коробка раздаточная
- Кран тормозной
- Мост ведущий
- Облицовка
- Площадка в сборе
- Рама
- Редуктор
- Редуктор отбора мощности
- Сиденье
- Система кондиционирования
- Тормоз колесный
- Управление
- Установка аккумуляторов
- Установка генератора
- Установка демпфера
- Установка кабины
- Установка карданных валов
- Установка компрессора
- Установка манипулятора и головки
- Установка мостов и колес
- Установка передних фонарей
- Установка подогревателей
- Установка радиаторов
- Установка редукторов
- Установка силовая
- Электросистема
Возможно, Вас заинтересует: