Электронные каталоги
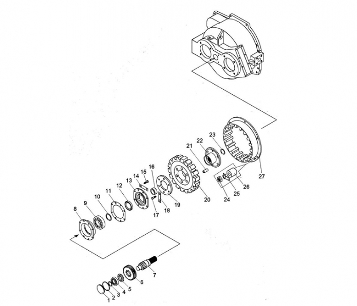
Запчасти для Амкодор 6712А в узле "Редуктор привода насосов" в разрезе схемы №20-1404
Технические
консультации
консультации
Принимаем к оплате наличные, карты и банковские переводы
Бесплатная
доставка
доставка
| № | Фото | Код | Наименование | Наличие | В узле | ||
|---|---|---|---|---|---|---|---|
| 1 | ![]() |
07020432 |
Кольцо 075-080-30
|
|
|||
| 2 | 07050225 |
Манжета армир. 1.2- 55х80 (сальник)
|
|
Другие узлы:
- Агрегат силовой
- Бак топливный
- Блок гидрораспределителя
- Блок управления
- Валец
- Вибровалец
- Гидросистема
- Дверь
- Доработка кабины
- Кабина
- Колодка
- Коробка клапанная
- Крышка задняя
- Мост
- Облицовка
- Окно
- Подкабинник
- Привод гидроруля
- Рама
- Рама передняя
- Редуктор привода насосов
- Система топливная
- Управление
- Установка кабины
- Установка калорифера
- Установка компрессора
- Установка кондиционера
- Установка крышки
- Установка кулачков
- Установка мотора
- Установка насосов
- Установка скребка
- Шарнир сочленения
- Щит
- Электросистема
- Электросистема кабины
- Электросистема подкабинника
Возможно, Вас заинтересует:
